Přes 300 000 zákazníků - děkujeme vám!

40 000+ produktů pro lov a střelbu

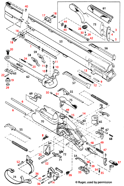
Tento schéma zobrazuje detailní rozložení a komponenty brokovnice Ruger® Red Label O/U s předponou sériového čísla 401/411/420 pro účely opravy a údržby.

Ruger® Red Label O/U S/N Prefix 401/411/420 Schéma - Vše, co potřebujete vědět o vašem brokovnici

Tato stránka nabízí podrobné schéma pro brokovnici Ruger® Red Label s prefixy sériového čísla 401, 411 a 420. Naše schémata jsou navržena tak, aby vám pomohla lépe porozumět konstrukci a funkcím vašeho zařízení. Zde naleznete technické detaily, které usnadní údržbu a opravy vaší brokovnice. Bez ohledu na to, zda jste zkušený zbrojíř nebo nováček, tato schémata vám poskytnou cenné informace a usnadní vám práci. Prozkoumejte naše schémata a získejte potřebné znalosti pro správnou péči o váš cenný kus výbavy.

Ruger® Red Label O/U S/N Prefix 401/411/420



Ruger® Red Label O/U S/N Prefix 401/411/420 Schéma


Ruger® Red Label O/U S/N Prefix 401/411/420
Klikněte na červené číslo pro zobrazení detailních informací o dané položce a přidání košíku. Vyberte "Výpis SKU" pro zobrazení seznamu všech položek.

Ruger® Red Label O/U S/N Prefix 401/411/420 Díly


Zpět na začátek