Přes 300 000 zákazníků - děkujeme vám!

40 000+ produktů pro lov a střelbu

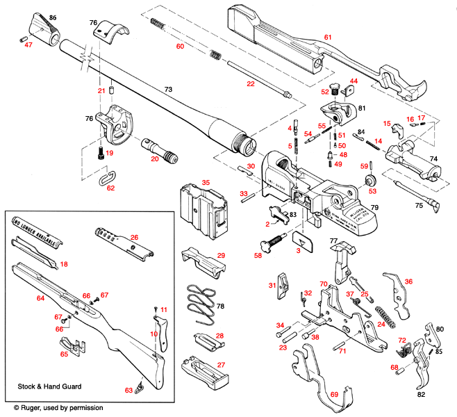
Tento schéma poskytuje detailní pohled na konstrukci a komponenty pušky Ruger® Mini-14 se sériovými předponami 181-186, včetně technických specifikací a pokynů pro údržbu.

Ruger® Mini-14 Serial Prefix 181-186 Schéma - Přesné schéma pro vaši zbraň

Na této stránce naleznete detailní schéma pro model Ruger® Mini-14 s číslicovým prefixem 181-186. Schéma je navrženo tak, aby poskytovalo komplexní přehled o jednotlivých částech a mechanismech této konkrétní varianty pušky. Uživatelé zde najdou užitečné informace o identifikaci a údržbě součástí, což usnadní opravy a úpravy. Tento zdroj je ideální pro majitele zbraní, kteří chtějí lépe porozumět své pušce a zajistit její optimální výkon. Využijte naše schéma k prozkoumání a zlepšení znalostí o vaší zbrani.

Ruger® Mini-14 Serial Prefix 181-186



Ruger® Mini-14 Serial Prefix 181-186 Schéma


Ruger® Mini-14 Serial Prefix 181-186
Klikněte na červené číslo pro zobrazení detailních informací o dané položce a přidání košíku. Vyberte "Výpis SKU" pro zobrazení seznamu všech položek.

Ruger® Mini-14 Serial Prefix 181-186 Díly


Zpět na začátek