Přes 300 000 zákazníků - děkujeme vám!

40 000+ produktů pro lov a střelbu

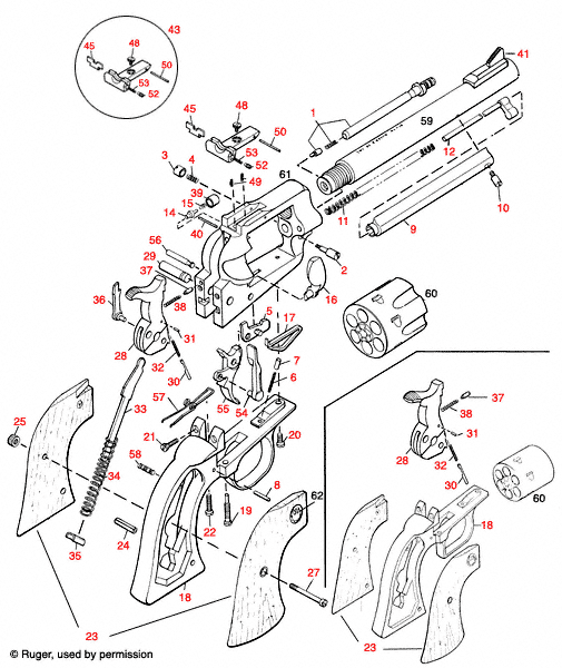
Detailní schéma Ruger® Super Blackhawk poskytuje užitečné informace pro opravy a údržbu tohoto revolveru, včetně označení jednotlivých částí a jejich funkcí.

Ruger® Super Blackhawk Schéma - Vše, co potřebujete vědět o vašem revolveru

Na této stránce najdete podrobné schéma pro revolver Ruger® Super Blackhawk, které vám pomůže lépe porozumět jeho konstrukci a funkcím. Schéma zahrnuje všechny klíčové komponenty, což usnadňuje údržbu a opravy. Ať už jste zkušený střelec nebo začátečník, naše schémata vám poskytnou cenné informace o tom, jak správně manipulovat s vaším revolverem. Ruger® Super Blackhawk je známý svou spolehlivostí a výkonem, a naše dokumentace vám pomůže využít jeho potenciál na maximum. Prozkoumejte detaily a získejte potřebné znalosti pro efektivní používání tohoto vynikajícího revolveru.

Ruger® Super Blackhawk



Ruger® Super Blackhawk Schéma


Ruger® Super Blackhawk
Klikněte na červené číslo pro zobrazení detailních informací o dané položce a přidání košíku. Vyberte "Výpis SKU" pro zobrazení seznamu všech položek.

Ruger® Super Blackhawk Díly


Zpět na začátek