Přes 300 000 zákazníků - děkujeme vám!

40 000+ produktů pro lov a střelbu

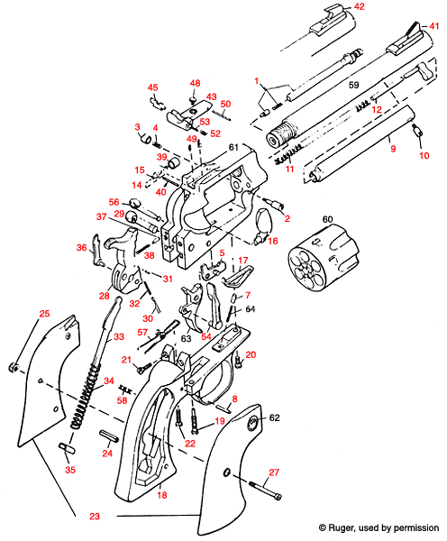
Tento schématický diagram poskytuje podrobný pohled na konstrukci a jednotlivé komponenty revolveru Ruger® New Model Blackhawk pro účely opravy a údržby.

Ruger® New Model Blackhawk Schéma - Podrobný návod pro váš revolver

Ruger® New Model Blackhawk je ikonický revolver, který kombinuje tradiční design s moderními technologiemi. Na této stránce najdete schéma, které detailně zobrazuje konstrukci a komponenty tohoto revolveru. Schéma je užitečné pro údržbu, opravy a vylepšení vašeho zařízení. Každý prvek je jasně označen, což usnadňuje identifikaci a porozumění. Ať už jste zkušený zbrojíř nebo nováček, tento návod vám poskytne cenné informace a pomůže vám lépe porozumět vašemu revolveru. Objevte všechny detaily, které potřebujete k tomu, abyste mohli efektivně pracovat se svým Ruger® New Model Blackhawk.

Ruger® New Model Blackhawk



Ruger® New Model Blackhawk Schéma


Ruger® New Model Blackhawk
Klikněte na červené číslo pro zobrazení detailních informací o dané položce a přidání košíku. Vyberte "Výpis SKU" pro zobrazení seznamu všech položek.

Ruger® New Model Blackhawk Díly


Zpět na začátek