Přes 300 000 zákazníků - děkujeme vám!

40 000+ produktů pro lov a střelbu

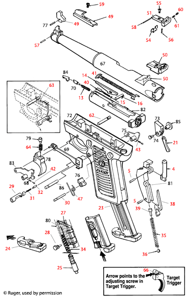
Detailní schéma Ruger® Mark II 22/45 ilustruje klíčové komponenty a jejich uspořádání pro efektivní údržbu a opravy této populární autoloading pistole.

Ruger® Mark II 22/45 Schéma - Podrobný návod pro vaše potřeby

Na této stránce najdete schéma pro Ruger® Mark II 22/45, které je ideální pro majitele a nadšence do autoloading pistolí. Tento detailní návod vám poskytne nezbytné informace o konstrukci a fungování této populární zbraně. Schéma je navrženo tak, aby usnadnilo údržbu, opravy a další úkony spojené s vaší pistolí. Všechny prvky jsou jasně označeny, což vám pomůže lépe porozumět mechanismu a jednotlivým částem. Ať už jste zkušený uživatel nebo nováček, naše schéma vám poskytne důležité informace pro efektivní manipulaci s vaší zbraní.

Ruger® Mark II 22/45



Ruger® Mark II 22/45 Schéma


Ruger® Mark II 22/45
Klikněte na červené číslo pro zobrazení detailních informací o dané položce a přidání košíku. Vyberte "Výpis SKU" pro zobrazení seznamu všech položek.

Ruger® Mark II 22/45 Díly


Zpět na začátek