Přes 300 000 zákazníků - děkujeme vám!

40 000+ produktů pro lov a střelbu

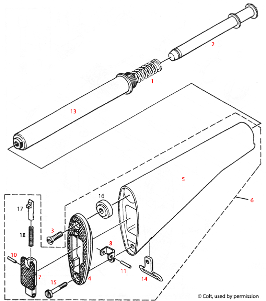
Tento schéma zobrazuje podrobné uspořádání a komponenty montáže pažby pro pušku AR-15 od společnosti Colt®, včetně všech důležitých částí a jejich umístění.

Colt® AR-15 Buttstock Assembly Schéma - Vše, co potřebujete vědět o montáži

Na této stránce naleznete podrobný schéma pro montáž buttstock assembly na pušce Colt® AR-15. Tento návod vám poskytne všechny potřebné informace pro správnou instalaci a údržbu této klíčové součásti vaší zbraně. Schéma je navrženo tak, aby bylo snadno čitelné a srozumitelné, čímž usnadňuje i méně zkušeným uživatelům orientaci v procesu montáže. Důležité části jsou jasně označeny a doplněny o užitečné tipy, které zaručí, že vaše puška bude fungovat optimálně. Prozkoumejte naše schéma a získejte důvěru ve svou schopnost správně manipulovat s Colt® AR-15.

Colt® AR-15 Buttstock Assembly



Colt® AR-15 Buttstock Assembly Schéma


Colt® AR-15 Buttstock Assembly
Klikněte na červené číslo pro zobrazení detailních informací o dané položce a přidání košíku. Vyberte "Výpis SKU" pro zobrazení seznamu všech položek.

Colt® AR-15 Buttstock Assembly Díly


Zpět na začátek