Přes 300 000 zákazníků - děkujeme vám!

40 000+ produktů pro lov a střelbu

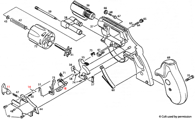
Tento schéma poskytuje detailní zobrazení a popis konstrukce revolveru Colt SF-VI, včetně jeho klíčových komponentů a mechanismů.

Colt® SF-VI Schéma - Detailní návod pro milovníky revolverů

Na této stránce naleznete komplexní schéma revolveru Colt® SF-VI, které je navrženo tak, aby usnadnilo pochopení jeho struktury a funkčnosti. Tento schéma je ideální pro majitele, sběratele a techniky, kteří chtějí získat hlubší znalosti o tomto konkrétním modelu. Obsahuje podrobné informace o jednotlivých komponentech, jejich umístění a vzájemných vztazích. Prozkoumejte náš vizuální průvodce a získejte cenné informace, které vám pomohou při údržbě a opravách vašeho revolveru. Ať už jste začátečník nebo zkušený odborník, naše schéma vám poskytne potřebné znalosti pro efektivní práci s Colt® SF-VI.

Colt® SF-VI



Colt® SF-VI Schéma


Colt® SF-VI
Klikněte na červené číslo pro zobrazení detailních informací o dané položce a přidání košíku. Vyberte "Výpis SKU" pro zobrazení seznamu všech položek.

Colt® SF-VI Díly


Zpět na začátek