Přes 300 000 zákazníků - děkujeme vám!

40 000+ produktů pro lov a střelbu

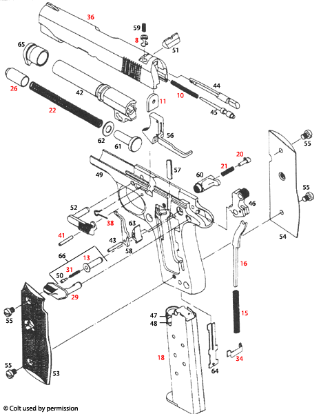
Tento schéma poskytuje detailní pohled na konstrukci a komponenty modelů Colt® 380, které jsou určeny pro samonabíjecí pistole.

Colt® 380 Models Schéma - Přesné schémata pro vaši Colt® 380

Na této stránce naleznete podrobné schémata pro modely Colt® 380, které jsou určeny pro autoloading pistole. Tyto schémata jsou neocenitelným nástrojem pro majitele a nadšence, kteří chtějí lépe porozumět konstrukci a fungování svých zbraní. Každé schéma je navrženo tak, aby poskytovalo jasné a snadno srozumitelné informace o jednotlivých komponentech a jejich uspořádání. Ať už se chystáte na údržbu, opravu nebo jen chcete získat hlubší znalosti o své zbrani, naše schémata vám poskytnou potřebné informace pro úspěšné zvládnutí těchto úkolů.

Colt® 380 Models



Colt® 380 Models Schéma


Colt® 380 Models
Klikněte na červené číslo pro zobrazení detailních informací o dané položce a přidání košíku. Vyberte "Výpis SKU" pro zobrazení seznamu všech položek.

Colt® 380 Models Díly


Zpět na začátek