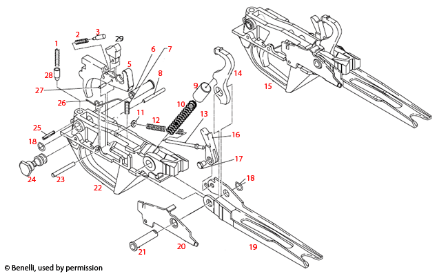
Tento schéma zobrazuje detailní rozložení a komponenty spoušťového mechanismu brokovnice Benelli U.S.A.® Super Black Eagle II pro efektivní údržbu a opravy.
Benelli U.S.A.® Super Black Eagle II Trigger Assembly Schéma - Váš průvodce pro precizní údržbu
Na této stránce najdete detailní schéma spoušťového mechanismu pro pušku Benelli U.S.A.® Super Black Eagle II. Toto schéma je navrženo tak, aby vám pomohlo s identifikací jednotlivých komponentů a jejich správným umístěním během údržby nebo opravy. Díky jasným označením a popisům budete moci rychle a efektivně provádět potřebné úkony. Ať už jste zkušený zbrojíř nebo nováček, naše schéma vám poskytne cenné informace pro optimalizaci výkonu vaší pušky. Prozkoumejte náš obsah a získejte znalosti, které vám pomohou udržet vaši pušku v perfektním stavu.
Benelli U.S.A.® Super Black Eagle II Trigger Assembly
Benelli U.S.A.® Super Black Eagle II Trigger Assembly Schéma
Klikněte na červené číslo pro zobrazení detailních informací o dané položce a přidání košíku. Vyberte "Výpis SKU" pro zobrazení seznamu všech položek.
Benelli U.S.A.® Super Black Eagle II Trigger Assembly Díly
Tato stránka je provozována společností Brownells Arms s.r.o.
Brownells je registrovaná ochranná známka společnosti Brownells Incorporated a je používána na základě licence společností Brownells Arms s.r.o. a nezávislým distributorem v Česko od Brownells Incorporated.